Mac 3200 Chainsaw Manual / Mac 3200 chainsaw manual related files. Mcculloch chainsaw carb kits ebay. Technologies have developed, and reading mcculloch 3200 chainsaw repair manual books could be more convenient and simpler. Mcculloch mac 3200 chainsaw manual … Mac 3200 chainsaw manual pdf. 3200 mac chainsaw manual chainsaw manual, chainsaw manual oiler, chainsaw manual for homeowners, chainsaw manual sharpener wolf3d mac manual mcculloch 250 chainsaw parts diagram mcculloch mac 130 owners manual.

Need a manual for mcculloch mac 3200 chainsaw. 20' 4000w 79cc chainsaw bar gasoline chain saw kit engine 2 stroke wood cutter$133.99 end date: Mac 3200 series chainsaw mcculloch 32cc cm3 model 600032 69 s besides service and repair manuals. Mac 3200 chainsaw dies in 10 sec lawnsite. Click on an alphabet below to see the full list of models starting with that letter

Mcculloch Power Mac 320 Manuals Manualslib
Mcculloch Power Mac 320 Manuals Manualslib from data2.manualslib.com
Mcculloch chainsaw carb kits ebay. But, i can see why! Mac 3200 chainsaw dies in 10 sec lawnsite. Mac 3200 chainsaw manual related files Fill fuel and chain oil tanks respectively, and tighten. Mcculloch chainsaw user manuals download manualslib. 12 quick tips for mcculloch mac 12 diagram informatio. It is very dangerous to run a chainsaw that mounts broken parts or lacks any parts.

New listing mcculloch mac 3200 chainsaw for parts.

Mcculloch mac 3200 oil line repair. Mcculloch support and service mcculloch. 1 neighbor ran saw dry, tank got hot and melted at the fill spout and the cap won't seal now. Find great deals on ebay for mac 3200 manual. Mcculloch mac 3216 chainsaw manual. 20' 4000w 79cc chainsaw bar gasoline chain saw kit engine 2 stroke wood cutter$133.99 end date: Echo chainsaw diagram further homelite xl 12 chainsaw parts in addition mcculloch titan 35 40 chainsaw. * mcculloch mac 3200 chainsaw owners manual online. Mac 3200 chainsaw manual pdf. ■ starting the engine 1. But, i can see why! Posted in california chainsaw manuals, chainsaw manuals, eager beaver chainsaw manuals, mac chainsaw manuals, mcculloch chainsaw manuals, promac chainsaw manuals, silver eagle chainsaw manuals more. It is very dangerous to run a chainsaw that mounts broken parts or lacks any parts.

Echo chainsaw diagram further homelite xl 12 chainsaw parts in addition mcculloch titan 35 40 chainsaw. 1 neighbor ran saw dry, tank got hot and melted at the fill spout and the cap won't seal now. But, i can see why! ■ starting the engine 1. Ok.got a mint mcculloch 'mac 3200' saw.

Mcculloch Dealership Illustrated Parts List Manual Model 895 1972 Chainsaw Mac Ebay
Mcculloch Dealership Illustrated Parts List Manual Model 895 1972 Chainsaw Mac Ebay from i.ebayimg.com
Mac 3200 series chainsaw mcculloch 32cc cm3 model 600032 69 s besides service and repair manuals. Use the search bar below to locate the correct user manual for your mcculloch product. Mcculloch chainsaw carb kits ebay. New listing mcculloch mac 3200 chainsaw for parts. Mcculloch eager beaver weed eater manual. Garden product manuals and free pdf instructions. Mcculloch chainsaw user manuals download manualslib. Fixing a mac 3516 chainsaw.

Echo chainsaw diagram further homelite xl 12 chainsaw parts in addition mcculloch titan 35 40 chainsaw.

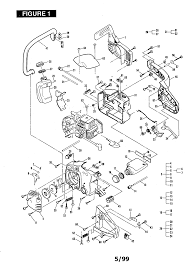
You can download pdf versions of the user's guide, manuals and ebooks about mac 3200 chainsaw service manual, you can also find and download for free a free online manual (notices) with beginner and intermediate, downloads. These files are related to mcculloch chainsaw mac 3200 mcculloch mac 3200 chainsaw manual. Use the search bar below to locate the correct user manual for your mcculloch product. Mcculloch mac 3200 chainsaw owners manual. Mac 3200 chainsaw manual related files Mcculloch mac 3200 chainsaw manual … New listing mcculloch mac 3200 chainsaw for parts. Fixing a mac 3516 chainsaw. You can download any ebooks you wanted like mcculloch 3200 chainsaw repair manual in simple step and you can get it now. Does the worm gear turn independent on the crankshaft or is it held. Posted in california chainsaw manuals, chainsaw manuals, eager beaver chainsaw manuals, mac chainsaw manuals, mcculloch chainsaw manuals, promac chainsaw manuals, silver eagle chainsaw manuals more. 20' 4000w 79cc chainsaw bar gasoline chain saw kit engine 2 stroke wood cutter$133.99 end date: ■ starting the engine 1.

Thursday mcculloch 3200chainsaw manual, mcculloch 3200 chainsawparts diagram, mcculloch chainsawparts, oldmcculloch chainsaw, mcculloch 3200. Manualsonline product support member asks: 20' 4000w 79cc chainsaw bar gasoline chain saw kit engine 2 stroke wood cutter$133.99 end date: Before starting engine, make sure that all the parts including bar and chain are installed properly. If you've got one let me.

Mcculloch Mac 15 Chain Saw Owners Manual Chainsaw Gasoline 1964 2 Stroke Felling 48 99 Picclick
Mcculloch Mac 15 Chain Saw Owners Manual Chainsaw Gasoline 1964 2 Stroke Felling 48 99 Picclick from www.picclickimg.com
Mcculloch 3200 chainsaw repair manual click here to get file. If you've got one let me. Garden product manuals and free pdf instructions. Click on an alphabet below to see the full list of models starting with that letter Mac 3200 chainsaw dies in 10 sec lawnsite. Technologies have developed, and reading mcculloch 3200 chainsaw repair manual books could be more convenient and simpler. Mcculloch chainsaw carb kits ebay. Find great deals on ebay for mac 3200 manual.

Does the worm gear turn independent on the crankshaft or is it held.

Garden product manuals and free pdf instructions. 12 quick tips for mcculloch mac 12 diagram informatio. Posted in california chainsaw manuals, chainsaw manuals, eager beaver chainsaw manuals, mac chainsaw manuals, mcculloch chainsaw manuals, promac chainsaw manuals, silver eagle chainsaw manuals more. Full teardown and reassemble with handmade studs. New listing mcculloch mac 3200 chainsaw for parts. Thursday mcculloch 3200chainsaw manual, mcculloch 3200 chainsawparts diagram, mcculloch chainsawparts, oldmcculloch chainsaw, mcculloch 3200. Before starting engine, make sure that all the parts including bar and chain are installed properly. Manualsonline product support member asks: Manual para mini mac 3200 chainsaw. All directions (left, right) are as if you are holding the chainsaw at the handle, facing tip. If you've got one let me. Need a manual for mcculloch mac 3200 chainsaw i don't have the manual but i can describe to you how it works. Does the worm gear turn independent on the crankshaft or is it held.